Anti Vandal WC Pan Back to Wall




Anti Vandal WC Pan Back to Wall
Description
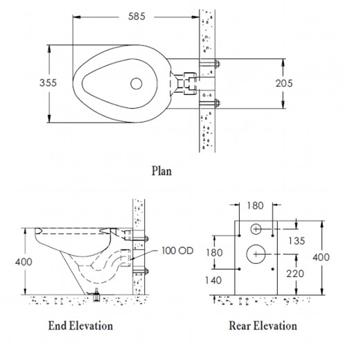
This is a back to wall toilet for use with a concealed cistern, manufactured from 1.9mm thick stainless steel, making it highly vandal resistant.
This anti vandal stainless steel toilet comes complete with inlet connector, concealed floor fixing plate and wall fixing bolts.
This pan is ideal for public bathrooms and toilets, with the built in seat, due to elliptical shape of the bowl and contoured rim.
€865.00
Inc VAT: €1,063.95
- Availability: In Stock
- Code: SSWC4
- Dims: 355 x 585 x 400mm
(1)